高精度高效率的LED恒流控制ICSM7522P替换长运通电源IC
概述
LED恒流控制ICSM7522P芯片是一款高精度、高效率的 LED 恒流驱动控制芯片,在全电
压 85Vac~265Vac 输入电压范围内,恒流精度可达±3%。
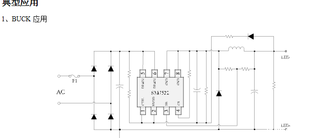
SM7522 芯片既支持非隔离的 BUCK 方案,同时也支持 PSR 反激拓扑,无需任何补偿
元件,即可实现恒定的电流输出,外围器件少,方案成本低。芯片内置自恢复的 LED
输出开短路保护电路,提高系统可靠性、安全性。

LED恒流控制ICSM7522P特点
宽电压 85Vac~265Vac 输入
恒流精度±3%
效率>85%
隔离的 PSR 反激拓扑
非隔离的 BUCK 驱动方案
内置自恢复的输出开短路等保护功能
CS 开路保护
内封功率 MOS 管
封装形式:DIP8

LED恒流控制ICSM7522P功能表述
SM7522 芯片是一款高精度高效率的 LED 恒流驱动控制芯片。适用于 85Vac~265Vac
全电压范围输入,恒流精度可达±5%。SM7522 芯片既支持非隔离的 BUCK 驱动方案,
也适用于 PSR 反激拓扑,通过给 CTRL 脚置不同电位实现应用切换:BUCK 应用时将
CTRL 脚接 HVDD 或通过电阻 R(2kΩ即可)后接 HVDD,反激应用时将 CTRL 接 GND
。无需任何的补偿元件,即可实现恒定的电流输出。
此外,SM7522 芯片内置自恢复的 LED 输出开短路保护等多种保护功能,提高系统可靠
性、安全性。

LED恒流控制ICSM7522P启动
SM7522 芯片通过外部启动电阻给 HVDD 电容充电,达到阈值后,控制各模块开始工作
;并输出开关信号, 控制开关管动作;随着输出电压电流逐渐升高,电感消磁时间逐
渐减小,输出电压稳定后,电感消磁时间趋于稳定,开关频率也基本保持不变,此时,
芯片通过二极管从输出或者辅助绕组获得所需电流。
LED恒流控制ICSM7522P恒流控制
SM7522 芯片应用于 BUCK 方案时,系统工作于临界导通模式(BCM)。芯片内部消磁
检测模块检测电感两端感应电压,在电感消磁结束时,控制开关管导通;另外,芯片内
部峰值限制模块通过 CS 端检测开关管电流, 在开关管电流达到设定的峰值时,产生
开关管截止信号,从而使系统工作于临界导通模式,并产生恒定的输出电流,输出电流
仅由电感峰值电流决定:
LED恒流控制ICSM7522P电流检测和 LEB
SM7522 芯片通过 CS 端检测外置检测电阻上的电压控制功率开关管的动作,从而实现
对开关管电流控制, 提供逐周期峰值电流限制。
为了消除高压功率管在开启瞬间产生的尖峰造成的干扰,内置前沿消隐电路,避免芯片
在功率管开启瞬间产生误动作,这样就可以省去外围 RC 滤波电路,节约系统成本。
LED恒流控制ICSM7522P保护控制
SM7522 芯片完善的各种保护功能提高了电源系统的可靠性,包括:逐周期峰值电流限
制,输出短路保护, 输出开路保护等。
LED恒流控制ICSM7522P应用领域
LED 照明驱动
筒灯或吸顶灯
平板灯
LED恒流控制ICSM7522P输入输出采用花孔便于着锡。
整体布局铺铜(采用网格方式,0.5*0.8mm),有利于 PCB 板整体的散热能力。
FB 反馈信号要尽量接近 FB 端口。
变压器底部开孔有利于散热和增加爬间距离。
有需要订购的朋友,请联系,提供方案技术支持,免费拿样4000336518
或者联系技术支持13802567304 林先生