5段恒功率线性恒流恒功率芯片SM2326E 是一款多段导通,可完成恒功率、低
THD 高功率因数LED 线性恒流操控芯片,SM2326E这款电源芯片芯片内置过温维
护功用,可提高体系使用可靠性。且在多颗芯片并联使用时,可省去外围的跳线
电阻。芯片首要经过调理 REXT 端口电阻值对输出电流进行调理。芯片集成输入
线网电压补偿功用,在额外输入电压范围内,保持输入功率稳定。其首要使用于
LED 照明、修建亮化工程等范畴,体系结构简略,外围元件少,计划成本低。

SM2326E 是一款作业于分段式主动切换方式且可完成恒功率、低 THD 高功率因
数 LED 线性恒流操控芯片,芯片
内置过温维护功用,可提高体系使用可靠性。在多颗芯片并联使用时,可防止
OUT 口走线穿插,可省去外围多余

的跳线电阻,使布局走线方便简练、可靠。芯片首要经过调理 REXT 端口电阻值
对输出电流进行调理。芯片集成输
入线网电压补偿功用,在额外输入电压范围内,保持输入功率稳定。

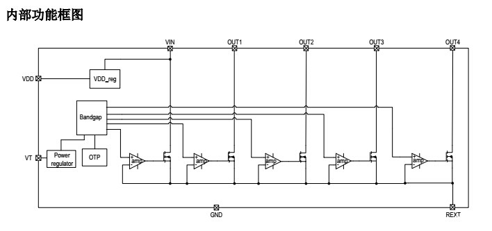
高压线性恒流芯片SM2326E 具有 5 个电流驱动端口,每个端口输出电流都经过
REXT 端口电阻 R 进行调理,VIN 端口、OUT1~OUT4
端口逐级敞开时输出电流如下: IVIN ,其中 R 为 REXT 端口电阻,体系输出
均匀电流等于各个端口的电流均匀值叠加。当 VT 端口电压
大于 1.2V 时,REXT 端口电压受 VT 调制。
特色
本司专利的恒流操控技能
OUT 端口输出电流外置可调,电流可达 120mA
芯片间输出电流偏差<± 4%
输入电压:120Vac/220Vac
支撑 PF>0.9
支撑 THD<10%
具有输入恒功率功用
具有过温调理功用
IC 并联使用可省去跳线电阻
芯片可与 LED 共用 PCB 板
封装方式:ESOP16
电源办理IC SM2326E使用范畴
投光灯
工矿灯
灯具类 LED 照明
如有需求订货的朋友们请华体汇官网app入口
hth网页版在线登录电子高压线性恒流芯片职业专家,高压测光源灯条高压线性计划,高压漫
反射灯条计划,高压洗墙灯计划,LED电源芯片12年专心研制电子芯片产品---
Copyright © 2017-2021 hth官方网站 版权所有
QQ:41290014 电话:86 0755 2759 3052 E-mail:sale@linkage.cn