LED电源管理芯片SM7015 是采用电流模式 PWM 控制方式的功率开关芯片,集成
高压启动电路和高压功率管,为低成本开关电源系统提供高性价比的解决方案。
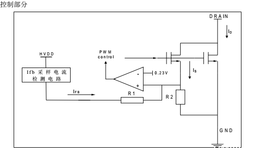
从上式可以看出,IFB 电流大,ID 的电流就小;IFB 电流小,ID 的电流就大。
当 IFB 的电流大于(0.23V / R2)
时,芯片会关闭 PWM,同时芯片会自动进入突发模式。

LED电源管理芯片SM7015应用于 BUCK 系统方案,支持 12V/18V 输出电压,很方
便的应用于小家电产品领域。并提供了过温、过流、过压、欠压等完善的保护功
能,保证了系统的可靠性。
拓扑结构支持:低成本 BUCK、BUCK-BOOST 等方案
采用 730V 单芯片集成工艺
85Vac~265Vac 宽电压输入
待机功耗小于 120mW@220Vac
集成高压启动电路
内置抖频技术,提升 EMC 性能
电流模式 PWM 控制方式
内置过温、过流、过压、欠压等保护功能
内置软启动
内置智能软驱动技术( 提高
EMC 性能)
封装形式:SOP8

集成高压功率开关
60KHz 固定开关频率
LED电源管理芯片SM7015能够提供拓扑结构支持:低成本 BUCK、 启动电路和高
压功率管,LED电源芯片SM7015为低成本开关电源系统提供高性价比的解决方案

。
LED电源芯片SM7015应用于 BUCK 系统方案,支持 12V/18V 输出电压,很方便
的应用于小家电产品领域。并提供了过温、过流、过压、欠压等完善的保护功能
,保证了系统的可靠性。
当开关电源启动后,C2 电容上的电压会通过芯片内部的高压启动 MOS 管向芯片
HVDD 电容 C3 充电,当
C4 电容电压达到 11.5V,内部高压启动 MOS 管关闭,同时 PWM 开启,系统开
始工作。
当 C4 电容电压下降到 9V 以下,关闭 PWM 信号,同时芯片将会产生复位信号
,使系统重新启动。这就是LED电源芯片SM7015的欠压保护。
电源管理芯片SM7015主要应用领域:电磁炉、电饭煲、电压力锅等小家电产品电
源
有需要的朋友请联系 hth网页版在线登录咨询订购,提供方案支持,免费拿样4000336518.
13802567304林先生
hth网页版在线登录电子高压线性恒流芯片行业专家,高压测光源灯条高压线性方案,高压漫
反射灯条方案,高压洗墙灯方案,LED电源芯片12年专注研发电子芯片产品---
Copyright © 2017-2021 hth官方网站 版权所有
QQ:41290014 电话:86 0755 2759 3052 E-mail:sale@linkage.cn