如今的大街小巷,色彩斑斓,霓虹闪烁,随处可见的五颜六色的圆角磁吸灯箱数不胜数,交通设施行业迅猛发展的今天,灯箱市场也是随着现代科技的发展越来越大。
看到如此绚丽多彩的LED装饰照明产品,大家在惊讶于LED产品照明市场飞速发展的同时,是否会在心中感慨究竟是什么样的一款电源芯片,能够支撑起如此华丽的灯光装饰背景。
广告灯箱,其实内部是由LED高压硬灯条或者低压硬灯条组合而来,其中起最主要的作用的还是其中的高压线性恒流IC的缘故,不同的芯片用在LED高压硬灯条中所产生的效应是不一样的。

光的功效不够高,以往的传统芯片的问题,功率做不了大功率高压硬灯条方案,使得数年前的人们慢慢的离开。紧随着近些年国家对半导体芯片发展的重视,加上工程师们对LED高压硬灯条内部芯片的坚持研发,高压线性恒流IC LK2085这个型号很快出现在了一些类似于高压漫反射灯箱,广告灯条,LED高压硬灯条等等这些产品中。

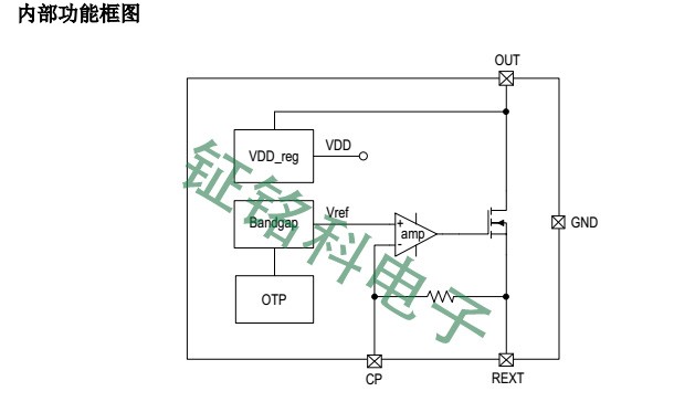
之所以高压线性恒流IC LK2085会兴起于近年来的LED高压硬灯条中,跟LK2085的特性是分不开的。
现在不再是价格战的LED高压硬灯条竞争时代,产品都以质量,方案成本等等作为选用方案的标准。
高压线性恒流IC LK2085在990mm的LED高压硬灯条中的方案采用的是电阻线绕式的高压线性方案,具体的PCB画线图如下:

LED高压硬灯条常用的方案中hth网页版在线登录建议大家使用的是拥有高压线性恒流IC 的LK2085
线绕电阻和103贴片电容合用-----增加稳定性,雷击浪涌能力达到1200伏 ,如果电阻上面不加线绕的话,单凭高压线性恒流IC LK2085的耐压,最高只有500V左右。
从LED高压硬灯条的外表我们或许看不出有什么差别,但是在使用了一段时间后,传统的芯片的LED硬灯条跟使用了高压线性恒流IC LK2085的高压硬灯条有着天差地别。
LK2085系统结构简单,并且光效在相应的条件下,能够达到百分之90以上,并且具有过温保护作用的芯片绝大多数情况下都会是LED硬灯条生产厂商的一种选择。
Copyright © 2017-2021 hth官方网站 版权所有
QQ:41290014 电话:86 0755 2759 3052 E-mail:sale@linkage.cn