依据LED灯带运用场合的区别和对灯带的需求不相同,又有高压LED灯带和低压LED灯带两种.
那这两种LED灯带有什么区别,首先,使用场所有所区别。低压LED灯带一般使用在对消防要求较高的场所,如酒店、会所等;而高压LED灯带选用220V的电压作业,主要用在民用市场。下面我们简单的来讲解一下这款高压灯带中所用的一款非常不错的高压线性恒流IC SM2091E 。说一下高压线性恒流IC在高压灯带中的应用方案,以及高压线性恒流IC SM2091E的一些主要特点。

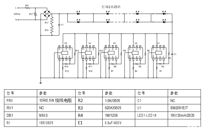
通常对于LED高压灯带长时间照明来说,发热效果是需要考虑的一个原因,因为如果发热,灯带内部的恒流IC 就会温度过高,产品容易受到损坏,高压线性恒流IC SM091E 具有系统设计简单,设计方案成本低,没有电解电容,能够与pcb板共用,极大的节省了空间,高压线性恒流IC恒功率,恒流明是这款IC 另一个更重要的特点,并且高压线性恒流IC具有过温过压保护,当芯片内部温度高了,能够自动降低功率达到温度的恒定。保护整个高压灯带的稳定,因此这种高压线性恒流IC SM2091E寿命也稳定,应用在LED高压灯带这块可以说是得心应手,并且让LED高压灯带的使用寿命在30000小时以上。下面给出这款高压线性恒流IC的 SM2091E典型应用方案以及在高压灯带中的应用方案作为参考一下。
并且高压线性恒流IC SM2091E能够实现自动化生产,节省大量的人力物力跟财力,确实作为一款新出的产品,高压线性恒流IC有值得骄傲的资本。也就恰好能让高压线性恒流IC在LED高压灯带上实现价值。
总的来说,LED高压灯带这一块的市场机会发展还很多,新的IC层出不穷, 高压线性恒流IC SM2091E的只是其中一款性价比高的一款,更多的详细的分类www.cybp2p.com
hth网页版在线登录电子高压线性恒流芯片行业专家,同步整流芯片,LED电源芯片,12年专注研发电子芯片产品---//www.cybp2p.com
Copyright © 2017-2021 hth官方网站 版权所有
QQ:41290014 电话:86 0755 2759 3052 E-mail:sale@linkage.cn