高压线性恒流芯片灯带方案LED高压灯带厂家都在使用,问题是你有完全了解过高压线性恒流灯带方案了吗?对于高压线性恒流芯片灯带方案有的地方是否还是一知半解,那么今天我们就简单的通过一款高压线性恒流芯片SM2091E灯带方案的应用来给大家详述一下。

高压线性恒流芯片方案SM2091E-----超高的交流电压输出,线性恒流一直是SM2091E的特点,其实SM2091E还有的另外一个特点就是恒功率的输出,
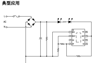
其二,因为高压线性恒流芯片SM2091E灯带方案属于非隔离电源结构,所以对雷击和浪涌的能力相对隔离结构较弱,根据雷击浪涌的要求需要在LED高压灯带方案中增加外围器件----如防雷管,放电管,保险管,线绕电阻和压敏来达到提升抗雷击浪涌的能力!

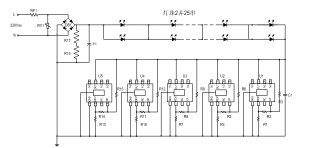
高压线性恒流芯片SM2091芯片方案一定是要在高电压低电流模式工作,所以小功率芯片方案就需要大量的不同参数的高压灯珠来搭配使用,目前市面上的高压灯珠已经非常成熟,规格品类也繁多,性价比也相对较好。即使是运用在LED高压灯带方案中也不会例外。高压线性恒流芯片SM2091E如果输入220V无电解电容高PF应用,推荐灯珠电压210V-240 V建议3V灯珠72串 6V36-38串 9V24-25串 18V12-13串 36V6串这些灯珠串并形式可以有效的帮助你适应不同高压线性恒流芯片方案 ,或者是LED高压灯带高压线性恒流方案。
总的来说,如果这款单通道的高压线性恒流芯片SM2091E除了具有天然的过温调节保护,能够调节高压灯带内部的温度之外,结构简单,如果要做到无频闪的话,那就需要另外加电解测试,所有组成LED高压灯带线性恒流方案所需要用到的元器件性价比都是十分高,所以目前来说,单通道高压线性恒流芯片SM2091E比较适合用在LED高压硬灯带中。

在测试LED高压灯带线性恒流方案使用SM2091E的时候就需要注意以上我所说的那些问题,只有注意到这些问题了,高压线性恒流芯片SM2091E才能发挥出它原本的真正效用。
那样,高压线性恒流芯片SM2091E应用于LED高压灯带方案才能算的上是真正高性价比的方案,LED高压灯带市场才能发展起来。
Copyright © 2017-2021 hth官方网站 版权所有
QQ:41290014 电话:86 0755 2759 3052 E-mail:sale@linkage.cn