
hth网页版在线登录全电压高P>0.9无频闪恒功率线性恒流ic方案SM2098E分析
高压线性恒流ic,SM2098E 可实现在 100-240Vac 输入下工作,在低压(如 120Vac) 和高压(
如 220Vac)输入下,系统输入功率一致。这是高压线性恒流IC SM2098E的恒功率功能。

高压线性恒流ic ,SM20098E具有过温调节保护功能,提升应用系统可靠性。使用了hth网页版在线登录公司
专利的恒流控制技术,具有较好的恒流性能,高光效,高效率灯珠工作电压。
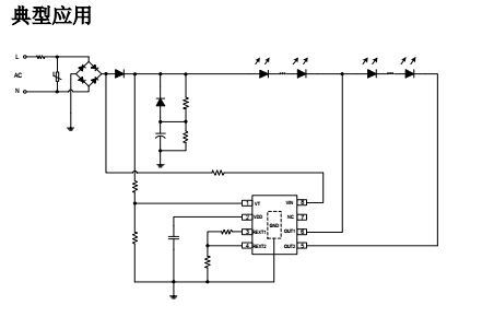
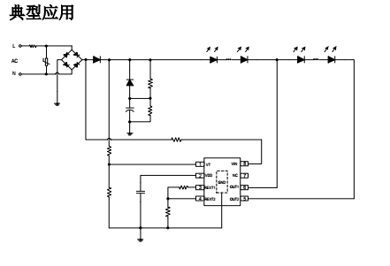
高压线性恒流IC SM2098E支持一体化无驱动方案,线路简单,外围BOM少,高压线性方案系统设
计成本少。恒流明功能,可以快速过EMI,EMC等认证。
高压线性恒流ic SM2098E 芯片内部具有温度补偿电路,为避免芯片温度高引起掉电流现象,系
统需采用良好的散热处理,确保芯片工作在合理的温度范围,常见散热措施如下:
1)系统采用铝基板;
2)增大 SM2098E 衬底的覆铜面积;
3)增大整个灯具的散热底座;
SM2098E 支持芯片并联应用方案。若系统输出功率过大导致芯片温度高时,可以采用多颗 高压
线性恒流IC SM2098E 芯片并联使用。

hth网页版在线登录电子所生产的半导体产品遵循欧洲RoHs 标准,封装焊接制程锡炉温度符合 J-STD-020 标
准。
当 LED 灯具内部温度过高,会引起 LED 灯出现严重的光衰,降低 LED 使用寿命。高压线性恒
流IC,SM2098E 集成了温度补偿功能, 当芯片内部达到 145oC 过温点时,芯片将会自动减小输
出电流,以降低灯具内部温度,提高系统可靠性。
高压线性恒流IC,SM2098E主要的应用领域有:
LED球泡灯,LED吸顶灯等等常见的LED照明灯具。
注 1:最大输出功率受限于芯片结温,最大极限值是指超出该工作范围,芯片有可能损坏。在极
限参数范围内工作,器件功能正常, 但并不完全保证满足个别性能指标。
注 2:RθJA 在 TA=25°C 自然对流下根据 JEDEC JESD51 热测量标准在单层导热试验板上测量
。
注 3:温度升高最大功耗一定会减小,这也是由 TJMAX,RθJA 和环境温度 TA 所决定的。最大
允许功耗为 PD = (TJMAX-TA)/ RθJA 或是极限范围给出的数值中比较低的那个值。

注 4:电气工作参数定义了器件在工作范围内并且在保证特定性能指标的测试条件下的直流和交
流电参数。对于未给定上下限值的参数,该规范不予保证其精度,但其典型值合理反映了器件性
能。
注 5:规格书的最小、最大参数范围由测试保证,典型值由设计、测试或统计分析保证。注 6:
电流负温度补偿起始点为芯片内部设定温度 145°C。
SM2098E 是一款具有输入功率自动调节的 LED 线性恒流控制芯片。在 100-240Vac 全电压输入
范围内,系统会随输入电压变化而调节,达到恒功率效果;在 120Vac 和 220Vac 输入下,系统
输入功率一致,功率偏差<±1%。
hth网页版在线登录电子高压线性恒流芯片行业专家,高压测光源灯条高压线性方案,高压漫反射灯条方案,
高压洗墙灯方案,LED电源芯片12年专注研发电子芯片产品---//www.cybp2p.com
如有需要订购SM2098E产品,可以联系4000336518,或者拨打13802567304林先生
Copyright © 2017-2021 hth官方网站 版权所有
QQ:41290014 电话:86 0755 2759 3052 E-mail:sale@linkage.cn