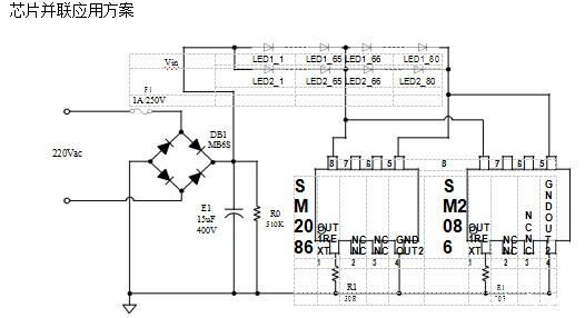
高压线性icSM2086 是双通道递进式 LED 恒流驱动控制芯片,芯片使用本司专利
的恒流设定和控制技术,输出电流由外接 Rext 电阻设置为5mA~60mA,且输出电
流不随芯片 OUT 端口电压而变化,较好的恒流性能。适应较宽的输入电压范围(
±20%),系统结构简单,外围元件极少,方案成本低.
当 LED 灯具内部温度过高,会引起 LED 灯出现严重的光衰,降低 LED 使用寿命
。SM2086 集成了温度补偿功能,

当芯片内部结温超过 110oC 时,将会自动减小输出电流,以降低灯具内部温度。
LED电源管理ic高压线性icSM2086应用特点:
本司专利的恒流控制技术;
OUT 端口输出电流外置可调,范围 5mA~60mA;
芯片间输出电流偏差< ±4%;
双通道递进式恒流方式
适应较宽的输入电压范围±20%
具有过热保护功能;
芯片可与 LED 共用 PCB 板;
芯片应用系统无 EMI 问题;
线路简单、成本低廉;
封装形式:ESOP8

高压线性icSM2086注意事项:
注(1):芯片要焊接在有 200mm2 铜箔散热的 PCB 板,铜箔厚度 35um。
若无特殊说明,环境温度为 25°C。
高压线性icSM2086温度补偿
九州体育,即时比分www.cp5262.com
当 LED 灯具内部温度过高,会引起 LED 灯出现严重的光衰,降低 LED 使用寿命
。SM2086 集成了温度补偿功能, 当芯片内部结温超过 110ºC 时,将会自动减小
输出电流,以降低灯具内部温度。
高压线性icSM2086输入电解电容设计
输入电解电容 C1 值越大,电压 Vin 纹波越小,SM2086OUT 端口电压纹波越小。
C1 值根据 LED 灯管总工作电流而定:电流越大,C1 容值越大,一般取值
4.7uF/400V~22uF/400V。

公式中,ILED 为整个方案中的恒流电流,时间 t :在 50Hz 时约为(1/4)*
(1/fAC) = 5ms,ΔV 是 OUT 端口电压纹波。
SM2086 通过在一串灯中接入另一个恒流通道,来实现较宽输入电压的恒流功能。
当电压低至较低电压时
(如 180V)由 OUT1 端口来完成对前面 65 个 LED 的恒流功能,当电压上升时
输入电流会逐渐从 IOUT1 过渡到IOUT2,此时 OUT1 端口自动关闭;当电压达到
220V 时 80 个灯被完全点亮。当电压达到 240V 后,由于芯片自身的损耗加大,
芯片进入过温保护模式,输出电流会减小达到降低整灯温度的目的。
此方案应用于吸顶灯时应将 OUT1 与 OUT2 间的 15 个灯应分布在圆环的内圈,
剩余的 65 个灯布在圆环的外圈采用这样的布局设计来避免工作在 180V 时整灯
会产生亮度不均匀分布的问题。对于灯管也可采用OUT1 与 OUT2 灯珠进行穿插布
局来改善发光均匀度。

芯片在底部有散热基岛,在画板时不能在芯片底部走线,建议与地连接,并进行
漏铜处理,在贴片应保证芯片底部与 PCB 的底部有效连接进行散热。
SM2086应用领域:
T5/T8 系列 LED 日光灯管;
LED 路灯照明应用;
LED 球泡灯,LED 吸顶灯;
有需要订购的朋友请华体汇官网app入口,免费拿样,提供技术方案!!4000336518
13802567304林先生
全系列高低压灯带ic产品方案www.cybp2p.com
Copyright © 2017-2021 hth官方网站 版权所有
QQ:41290014 电话:86 0755 2759 3052 E-mail:sale@linkage.cn