作为传统灯具的替代产品,LED灯带等照明发展前景广阔。开发、生产、推广和使用高节能、长寿命、高光效、优显色优势的LED灯具,成为照明灯具厂商关注的重中之重。

LED市场呈现出爆发势头,行业热点不断。而2018年,LED灯带还将持续快速发展的态势,其主要驱动力有以下二点:国内LED灯带照明市场将出现进一步的强劲增长。市政建设、公共设施、园林景观、私家装饰、电子产品等各个领域都将越来越多地应用LED灯带。尤其是LED从商用市场到通用市场的华丽转身,更是吊足了所有从业者的期待。其二LED灯带产品技术不断进步,价格逐步降低,具备更强大的竞争力。
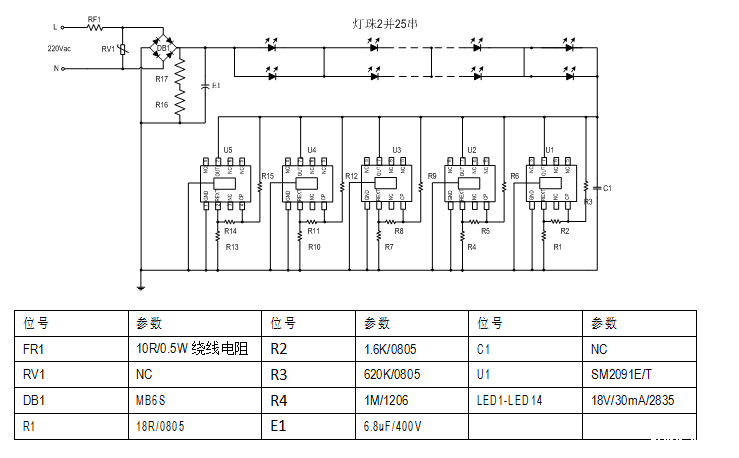
LED灯带要达到高光效能、长寿命、高光效、优显色优势等等特点,显然仅仅靠传统的灯带IC是不可能实现的,为此,在国家的扶持下,纷纷研发出来了高压线性恒流灯带芯片 SM2091E这款芯片来促进整个LED灯带市场的推动发展,不再依赖外来进口芯片。

那么高压线性恒流灯带芯片 SM2091E到底有什么好的地方能够让整个LED灯带行业津津乐道呢?具体的我们来了解一下
据我从网上搜集过来的信息可知高压线性恒流灯带芯片 SM2091E 具有芯片结构简单,外围元器件少,没有电解电容的多余元器件的存在,使得高压线性恒流灯带芯片 SM2091E使用起来得心应手。其次高压线性恒流灯带芯片 SM2091E能够跟pcb板应用在一起,适合自动化生产,恒功率,恒流明,温度可控,通过外接的REXT电阻能够进行电流的精准调节,设定特定的电流值,达到LED高压灯带光效温定的目的,再者看看现在传统的灯带如果长时间照明的话,容易烧坏灯带,产品质量得不到保证,都是因为其中的芯片不像高压线性恒流灯带芯片 SM2091E一样,具有温度调节这个功能,有了温度调节功能,就能控制芯片在温度上升的一个特定的保护点的时候,通过降低功率的目的,达到降低温度的效果,可以说是LED高压灯带的一个突破。比传统灯带光效能还好的高压线性恒流灯带芯片 SM2091E可以说是影响十分的巨大。
从性价比上来说,无疑高压线性恒流灯带芯片 SM2091E是一款值得各大LED高压灯带首先要考虑的产品。
以上所述都是根据测试后高压线性恒流灯带芯片 SM2091E的特点来编写的。供大家参考。
Copyright © 2017-2021 hth官方网站 版权所有
QQ:41290014 电话:86 0755 2759 3052 E-mail:sale@linkage.cn