洗墙灯和线条灯是两种常见的LED照明产品,它们都需要使用LED恒流驱动芯片来确保稳定、可靠的电流供应,从而保证LED的使用寿命和亮度。
对于洗墙灯而言,由于其发出的光线需要覆盖较大的区域,因此需要使用较大功率的LED芯片,并配备能够提供足够电流的恒流驱动芯片。同时,为了实现更好的照明效果,洗墙灯通常采用多芯片组合的方式,这也需要恒流驱动芯片能够同时驱动多个芯片。
而线条灯则是一种常见的装饰性照明产品,其特点是长度较长、需要弯曲,因此需要使用柔性线路板和细线条灯珠。为了确保线条灯的亮度和使用寿命,需要使用高精度、低纹波的恒流驱动芯片,以确保LED灯珠的电流稳定。
在选择适合洗墙灯和线条灯的恒流驱动芯片时,需要考虑以下几个因素:
1. 输出电流:根据LED灯珠的规格和数量,选择能够提供足够电流的驱动芯片。
2. 电压范围:根据实际应用需求,选择合适的电压范围,以确保LED灯珠的正常工作。
3. 精度和纹波:根据照明质量和LED使用寿命的要求,选择高精度、低纹波的恒流驱动芯片。
4. 尺寸和散热:考虑PCB板尺寸、散热性能等因素,选择适合实际安装环境的恒流驱动芯片。
5. 可靠性和稳定性:选择经过严格品质检测和长时间验证的恒流驱动芯片,以确保LED照明的可靠性和稳定性。

以下是低压线性恒流LED恒流驱动芯片的一些关键特点和应用:
低压线性恒流LED恒流驱动芯片是一款非常重要的芯片,它在LED照明系统中起着关键作用。其主要特点包括大电流、恒流精度高、输出电流不随SW出口的电压变化等。这些特点使得该芯片在LED控制电路中具有广泛的应用,如PWM调光、智能调光、可控硅调光等领域。
首先,大电流和恒流精度高是该芯片的重要特点。这使得它能够为LED提供稳定的电流,从而保证LED的亮度、颜色和寿命。同时,通过外置CS电阻设定电流值,可以在16mA到1500mA之间进行调节,并且恒流精准度达到了±3%。这使得该芯片在LED照明系统中具有非常高的可靠性。
其次,该芯片的另一个重要特点是输出电流不随SW出口的电压变化。这意味着,无论电压如何变化,LED的亮度都能够保持恒定。这不仅提高了LED的使用寿命,而且使得LED照明系统更加稳定可靠。
此外,PWM调光技术也被广泛应用于LED控制电路中。通过PWM调光技术,可以调节LED灯的亮度和功率,从而在保持恒定亮度的情况下,减少LED的发热和功耗。这有助于提高LED的使用寿命和稳定性。
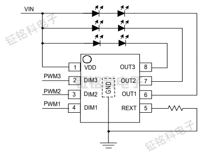
用于洗墙灯、线条灯低压线性恒流LED恒流驱动芯片SM15633EH 型号介绍:
SM15633EH是三通道LED恒流驱动控制芯片,使用本司专利的恒流控制技术,可实现低电压恒流开启且输出电流精度高。芯片内置OUT端口高压驱动模块、PWM调光模块、过温保护模块、恒流驱动模块。输出电流由外接REXT电阻可设置为20mA~350mA。
低压线性恒流LED恒流驱动芯片SM15633EH 特征:
输入电压范围: 8~60Vdc
本司专利的恒流控制技术
a)输出电流外接电阳可调单通道最大输出电流350mA
b)片内输出电流偏差<土45%片间输出电流偏差<土5%
c)恒流拐点电压低: 10UT=350mAEVDS=1.3V
支持0.5~10KHz PWM调光
默认上电美闭
待机电流<80uA
内置过温保护功能
封装形式:ESOP8
低压线性恒流LED恒流驱动芯片SM15633EH典型应用案例:


更多应用于洗墙灯、线条灯的 低压线性恒流LED恒流驱动芯片推荐:
| 型号 | 描述 | 封装信息 |
| SM15133EH/EK | 三通道PWM调光40V低压线性恒流 | ESOP8 |
| SM15633EH | 三通道PWM调光60V低压线性恒流 | ESOP8 |
| SM15633EK 代码 688699 解 决 方 案 | 三通道PWM调光80V低压线性恒流 | ESOP8 |
hth官方网站是一家从事18年LED驱动芯片IC方案供应商,主营LED线性恒流驱动芯片,ACDC和DCDC恒流恒压电源管理芯片。开发了LED芯片电源方案近5000款,经典方案98款,如果你也是做LED灯饰照明,小家电控制板,过欠压保护器,LED高低压灯带,LED幻彩灯带,LED景观亮化的工厂欢迎一起交流沟通!
Copyright © 2017-2021 hth官方网站 版权所有
QQ:41290014 电话:86 0755 2759 3052 E-mail:sale@linkage.cn