高压漫反射灯条是LED照明行业人士在常规LED贴片卷帘灯的基础上制作的亮度更高、发光角度更大的新型背光源产品。
漫反射灯条是采用高亮度表贴3030的1w大功率灯珠,单颗光通量达120LM,红铜支架,纯金线封装,光衰小、寿命。所有连接线材处均采用手工焊接,保证焊接点的连接质量,无脱焊、虚焊现象。安全稳定可靠。
那么,什么样的漫反射灯条会被称作为高压漫反射灯条呢?是不是内部用的LED电源芯片会有区别。从高压漫反射灯条这个字面解释来说,就是可以直接从LN线接入市电电压的一种新型产品。

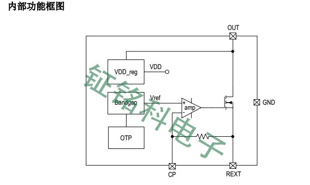
高压漫反射灯条内部的所用的LED电源芯片是一款型号为LK2085的芯片。单通道的LED线性恒流驱动芯片LK2085又有哪些特点,简单的给大家来进行分析一下,百度上对于这一款电源芯片型号的经验结果比较少。所以,在高压漫反射灯条方案中应用LED电源芯片LK2085的时候,需要注意到的不仅仅是LED电源芯片的效率使用问题。更加要注意高压漫反射灯条在使用过程中的安全问题。
hth网页版在线登录高压漫反射灯条LED电源芯片LK2085稳定方案建议使用线绕电阻和103贴片电容合用-----增加稳定性,雷击浪涌能力达到1200伏,另一种更可靠,性价比更高的LED电源芯片方案LK2085是线绕电阻+电解电容(同一个LED电源芯片功率可以做的更大,灯珠利用率,光效更高, 缺点是电解电容体积较大,位置不太好放,生产堆积在一起会有不良产生)。

从下面的LED电源芯片LK2085中特点中我们可以看出LED电源芯片LK2085输出电流偏差<± 4%,芯片输入电压在:120Vac/220Vac之间。高 PF 方案:PF>0.9低 PF 方案:PF>0.5无频闪,LED照明产品如果想要做到无频闪,那就需要在电源芯片方案中添加一小块电容, 可以有效抑制频闪产生的情况。除了LK2085的输入线电压补偿功能以外 ,过温调节功能也是现在的LED电源芯片新型号创新所带来的功能,也是通过降功率,来达到降温度的目的,是的高压漫反射灯条在使用的时候寿命会长,质量会更好等等因素。
除此之外,安全性也是高压漫反射灯条想要发展起来的一个重要克服因素,一般来说,在生产高压漫反射灯条生产过程中,使用过程的时候,一般会在外围套一个塑料管,使安全性问题得到一定解决。
在LED电源芯片LK2085这两种方案出来的情况下,相信大家对于高压漫反射灯条方案应用有了一个新的了解,高压漫反射灯条也会慢慢进入到大众的视野内。
Copyright © 2017-2021 hth官方网站 版权所有
QQ:41290014 电话:86 0755 2759 3052 E-mail:sale@linkage.cn