在特定的环境,电网的220V交流电出现波动时,用高压线性的无电解方案会出现闪烁的现象,俗称“压闪”。比如超市,健身俱乐部,会用到不同的日光灯,球泡灯。由于大功率电器的使用,也会引起电压出现不够稳定的情况,带来压闪。这样都会给用户带来视觉上的困扰。基于单段高压线性恒流芯片的原理,适用电压范围受到限制。一般单段高压线性的方案输入的电压范围是200-260V左右,这样在城乡结合部电压不稳的地区很容易出现“压闪”。
所以一般在高压线性恒流芯片SM2091E的无频闪方案应用中,一般都会加上一个小贴片电容,用于去频闪使用。

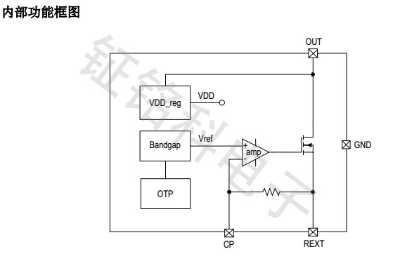
高压线性恒流芯片SM2091E是一款单段的LED高压线性恒流芯片,对于SM2091E来说,高压线性恒流方案似乎是为它量身定做的,因为这个高压线性恒流芯片方案能适用LED市面上大部分的LED照明产品使用,是一款比较不错的LED驱动电源产品。
单段的高压线性恒流芯片SM2091E输入电压一般在200v~240v之间浮动,所以说在电压方面有不小的缺点,有的LED灯功率就做不了3W,5W之类的产品。所以在设计高压线性恒流芯片方案的时候需要注意这些问题。
高压线性恒流芯片方案技术集成的过温调节保护功能,使得LED灯具不再为温度发热问题严重LED照明产品遭到损毁的情况。高压线性恒流芯片SM2091E可以减低电流输出,用来降低功率,稳定温度的效果。

随着IC的工艺技术不断进步,高压线性恒流芯片SM2091E的稳定性已有了很大的提升。不但在室内小功率的照明方案有着广泛的应用,在中大功率上也有所表现。高压线性恒流芯片SM2091E单颗的IC并联使用可以做到30W以上的应用。同时,高压线性恒流芯片SM2091E如果采用外推的MOS方式可以单颗IC做到100W的照明方案。
现在LED大功率照明系统的电源,主要还是用隔离的开关电源的方案,它总是受到温度的困扰,电解的寿命始终是要考虑的问题,以前由于灯具配套设备的工艺限制,无法采用高压线性恒流芯片的方案,但随着高导热塑料的应用,以及绝缘性能的提升,高压线性芯片方案SM2091E也走入了大功率方案的行列。
hth网页版在线登录电子高压线性恒流芯片行业专家,同步整流芯片,LED电源芯片,12年专注研发电子芯片产品---//www.cybp2p.com
Copyright © 2017-2021 hth官方网站 版权所有
QQ:41290014 电话:86 0755 2759 3052 E-mail:sale@linkage.cn