LED软灯条还有作为灯的本质优点:发光颜色多变,可调光,可控制颜色变化,可选择单色和RGB的效果。带给环境多彩缤纷的视觉效果。柔性LED软灯条是采用FPC做组装线路板,用贴片封装(SMD)的高亮度LED为光源,每3颗灯为一个单元,每50厘米为一个大的长度单元,这个产品的厚度仅为一枚硬币的厚度,不占空间。

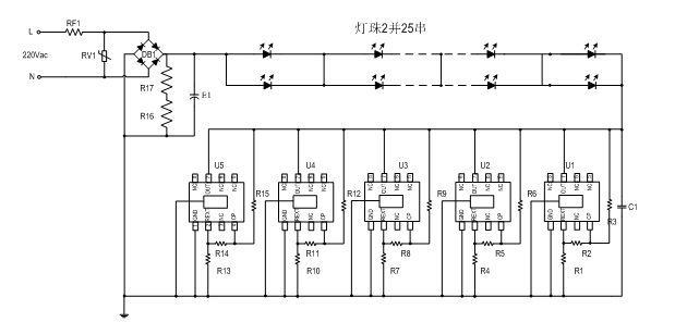
正因为人们越来越追求追求LED照明产品的多样化,灯光照明装饰产品的多样化,所以LED软灯条市场得以重新开展,人们才会把目光重新投向LED软灯条市场,目前的问题是,如何能选择一款能够应用在LED软灯条中的芯片成了最大的问题,针对目前这种现状,给大家认识一下一款高精度的高压线性恒流芯片LK2085,同时也能够给大家展示一下这款高精度的高压线性恒流芯片是怎么被应用在LED软灯条中,也能让大家在生产LED软灯条这种产品的时候,能有一个明确的选择。

这款高精度的高压线性恒流芯片LK2085系统结构简单,集成电路没有其他电子元器件,没有其他电解电容这些多余的器件存在。如果要加电解的话,那么这款高精度的高压线性恒流芯片LK2085就能做到去频闪,并且能够宽电压输入,最大电流可以达到80mA,因为LED软灯条装饰应用场景十分广泛,所以在某些特定的场合环境中需要照明的时间也长,因此,消费者要求LED软灯条质量较好,不容易被温度过高烧坏的特点,高压线性恒流芯片LK2085之所以被叫做高压线性恒流是因为高电压低电流输出,线性恒流!

电流能够稳定输出,在一个恒定的数值内,具有过温调节功能的高精度高压线性恒流芯片LK2085适应了LED软灯带生产的条件,符合了LED照明产品厂商的需求,所以目前市面上的LED软灯条产品大多数都能看到这款高精度高压线性恒流芯片LK2085的身影。芯片技术的多样化,使得LED软灯条行业再次发展成为了可能。市场需求带动高压线性恒流芯片的生产力。恰恰就是因为这款高精度高压线性恒流芯片LK2085成本低,可用性价更好,相信会有更多的人会将这款芯片LK2085应用到LED软灯条中的。
Copyright © 2017-2021 hth官方网站 版权所有
QQ:41290014 电话:86 0755 2759 3052 E-mail:sale@linkage.cn