LED 高压灯带这种产品,或许行业内的人不陌生,LED高压灯带是一种可以通过串联或者并联灯珠的方式来进行LED照明,尤其是灯箱广告行业越发的快速发展起来,LED高压灯带的产品地位也跟着水涨船高,那么究竟是什么 类型的IC 才能承受得起高压灯带发光发热的先决条件呢?答案就是hth网页版在线登录这一款高压线性IC SM2091E。

图一SM2091E高压灯条应用方案原理图
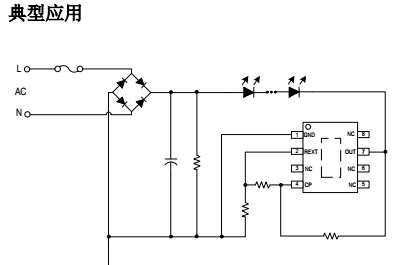
都知道LED高压灯带这种产品因其环境使用的场合不同,光照周期长,所以就要求高压灯带能够稳定性好,寿命比一般的灯带长,但是以往的IC目前都没有这种功能,所以高压线性IC SM091E就以它的功能特性来承担这个重任,因为高压灯带需要照射的时间长,所以发热效果在以往的灯带中发热效果得不到缓解,以致高压灯带使用时间不长,因为我们的高压线性IC SM2091E其中的一个特点就是能够有过温度保护调节功能,温度保护调节功能,简单的来说就是就是当高压线性IC SM2091E在高压灯带内部温度过高的话,能够通过降低功率的效果,来达到降低温度的目的,因为高压线性IC SM2091E的温度可以通过外置电阻来调节,所以就有这个降低温度的功能,可是说的上是十分便利,除此之外,高压线性IC SM2091E之所以能够成为高压灯带中的特芯,还因为SM2091E系统结构简单,外围元器件少,方案设计成本低,能够进行自动化生产等等重要的特性也是使得SM2091E能够快速进军到高压灯带中的重要一环。SM2091E使用了本司专利的恒流控制技术,恒流精度±4%以内。

图二 SM2091E典型应用原理图
因为高压线性IC SM2091E的种种特点,都能够符合LED高压灯带出现的所必须的条件,所以说SM2091E是LED高压灯带中的一颗特芯也不为过。未来行业的发展还是要靠更多的高压线性IC 来改变,使得LED高压灯带这种产品更加能被大众所运用,处理得合理,也必定能发展的更快。
Copyright © 2017-2021 hth官方网站 版权所有
QQ:41290014 电话:86 0755 2759 3052 E-mail:sale@linkage.cn