一直以来,作为技术和资金双密度领域,LED芯片以高利润水平处于产业链顶端。也正因为如此,芯片领域一直是政府补贴和资金涌入的聚集之地。然而,在历经投资热、扩产潮、价格战之后,如今的LED芯片产业也不可避免地步入低迷时期。
为了改变国内LED芯片的这种现象,国内厂商纷纷寻求新的出路,为此,高压线性芯片 SM2091E响应号召而被研究出来。

图一 hth网页版在线登录高压线性恒流IC SM2091E
那么,高压线性芯片 SM2091E究竟它有什么魔力,为什么高压线性芯片 SM2091E会被称为LED芯片产业的新机遇呢?容我慢慢道来。
高压线性芯片 SM2091E 它是一款使用了恒流控制技术,单通道的高压线性芯片 ,其外部带有一个电阻,能够根据需要设定不同的电流。并且数值精确到正负百分之四。不得不说这需要极高的技术,SM2091E带来的功能有:结构简单,外围器件少,不用电解电容,能够进行灯芯合一,过温过压保护是它天生的本色,很多人还不理解过温过压的原理是什么,就是说当芯片内部温度高了,SM2091E能够及时的降功率达到温度的恒定。

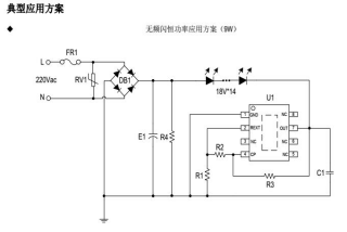
图二 hth网页版在线登录高压线性恒流IC SM2091E 方案
所以高压线性芯片 SM2091E的稳定性好,寿命也长,适合自动化生产。相比较原来的一些设计方案成本高的芯片方案来说,SM2091E可谓是带来了全新的面貌,也改革了高压线性芯片原有的的市场体系。LED芯片市场也开始迎来了蓬勃的发展机遇,呈现出一片生机盎然的模样。新产品的出现,有机遇也有挑战,高压线性芯片 SM2091E也必定能够在这场机遇挑战中发光放热。
Copyright © 2017-2021 hth官方网站 版权所有
QQ:41290014 电话:86 0755 2759 3052 E-mail:sale@linkage.cn