特 点:
1、 差分信号传输速率:250~750kbps;
2、 无信号可设置预设亮灯颜色;
3、 级联写码线开路写码成功时颜色(红色)警告;
4、 R/G/B/W/Y五通道调光;
5、 RGB17mA电流(白平衡可调),W/Y双通道电流可控(18~60mA);
6、 65536灰度4K刷新率、不会出现拍摄频闪现象
7、 在线升级点光源的功率参数,无需硬件修改;
8、 级联使用时可实现按通道数写址功能,不占用通道;
9、 PCB面积远小于同类方案板,EMC检测余量多;
10、芯片封装体为:MSOP8或者SOP8。
应用原理:
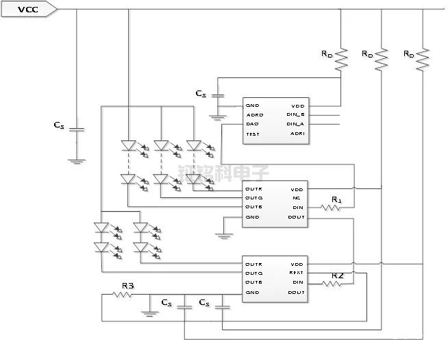
本方案使用我司的SM17500P作为DMX512协议转发芯片,配合我司两颗SM16803P三通道65536灰度4K刷新率的芯片,其中一颗负责RGB的小电流驱动,另外一颗负责大电流WY的驱动,当然也可以延伸做6色的方案,整个方案使用小尺寸封装的MSOP8,点光源方案尺寸可以做得更小,当然也可以选择常规尺寸SOP8封装使用在PCB空间足够的方案上,针对未来趋势推出的5,6色方案在目前芯片的选型上使用2个SOP16封装的4通道DMX512芯片成本更具优势,写码更容易操作,不浪费通道地址,PCB布线,EMC检测上更具优势。
电路原理图:

实物图比较:

方案板正反面对比图

Copyright © 2017-2021 hth官方网站 版权所有
QQ:41290014 电话:86 0755 2759 3052 E-mail:sale@linkage.cn