SM16703PMLED驱动芯片是单线传输的三通道LED驱动控制芯片,采用单线归零码SID数据协议。OUT R/G/B端口默认输出电流12mA。芯片外围元器件少、简单可靠。芯片支持VDD-GND防反接功能。
SM16703PM特性
VDD 输入电压 3.5V~12V
OUT R/G/B 恒流值:12mA
OUT R/G/B 输出灰度等级: 256 级
OUT R/G/B 上电状态: 默认关闭
支持 VDD-GND 防反接功能
同一帧显示数据同步刷新
采用单线归零码 SID 数据协议
数据串行级联传输, 抗干扰能力强 咨询热线:133-3291-3059(微信同号)
信号传输速率: 800Kbps
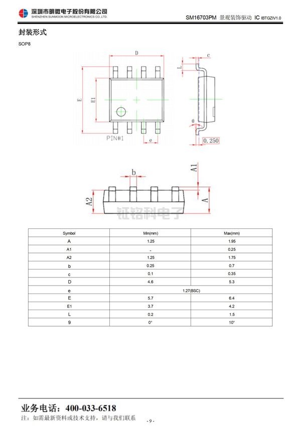
封装形式: SOP8
SM16703PM应用领域
室内 LED 装饰照明 建筑外观/情景照明、点光源、穿孔字、软灯带、线条灯









Copyright © 2017-2021 hth官方网站 版权所有
QQ:41290014 电话:86 0755 2759 3052 E-mail:sale@linkage.cn
